www.smartquality.ro
0000.123.456
Cod produs: SA13306

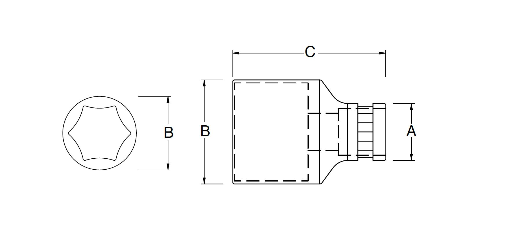
Cap cheie tubulară HEX 1/2"

Ø22,2x22,2x15 mm

 
  • Tehnologie Surface Drive® ‑ asigură un moment de strângere mai mare cu 15% ‑20% , ceea ce extinde durata de viață a elementelor de fixare;
  • Produs fabricat în conformitate cu specificațiilor industriale, ce asigură un design subțire al peretilor și dimensiuni precise ale capătului piuliței;
  • Suprafețe speciale tratate termic ce permit o rezistență și durabilitate ridicată;
  • Aceste accesorii nu se utilizează pe mașini cu motoare termice și/sau pe mașini pneumatice de impact.


Avantaje

  • Sistemul Surface Drive reduce jocul elementelor de fixare și îmbunătățește nivelul de putere cu care acestea sunt strânse.

Specificații tehnice

Utilizare Profesională
Formă HEX
Deschidere 15 mm
Lungime 38 mm
Diametru A 22,2 mm
Diametru B 22,2 mm
Dimensiuni cheie 1/2''
Material Oțel Crom Vanadiu
Garanție nelimitată

Set livrare

  • Se livrează o bucată.